2005年以后,国内的互联网行业迎来了大发展的时代。在这样的背景下,传统上各自为战的机房无论是经济性,安全性还是可靠性方面都已经不能满足企业或者用户对信息化的需求。于是,企业自建数据中心(EDC),互联网数据中心(IDC)逐渐开始出现,并在2010年达到了一个小高潮。
随着云计算的兴起,传统上满足企业自身需求的EDC,以及提供企业服务器托管,机架租赁等服务的IDC市场,逐步被云计算蚕食。各种公有云,私有云,混合云大行其道。到现在,则逐渐出现了云化IDC的概念。
随着5G、AI和边缘计算的落地,数据中心的形态也发生了根本性的变化。时至现在,我国数据中心应用规模已经达到世界第二位,并保持着30%以上的增长率。


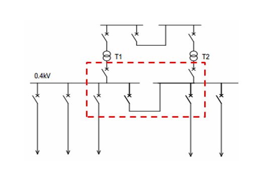
保持设备长期处于正常、效率高的工作状态,确保配电系统中的重要负荷稳定运行

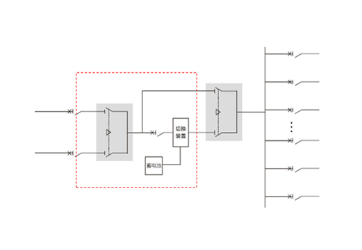
配电设备数量众多,维护检修会造成系统断电,设备应该满足快速维护和替换的要求

跟进系统要求提升产品性能,减少工程建设成本,降低系统使用的运营成本,延长使用年限

数据中心能耗成本超过运营成本的50%,降低设备自身能耗,打造绿色数据中心将是未来趋势
平台信息提交-隐私协议
· 隐私政策
暂无内容
E-MAIL:sales@nsdelectric.cn
中国总部:中国上海普陀区交通路4711号李子园大厦3B01-3B02
制造基地:中国江苏省常熟市高新技术产业园阳光大道58号